Поиск

Найти DTC
Наши партнеры
установка охранных систем и автосигнализаций
Автосигнализации
Pandora
Иммобилайзеры
Pandect
Низкие цены


Вы тоже можете стать нашим партнером

FusionGURU :: Литература :: Электрооборудование :: Система управления генератора с "интеллектуальной зарядкой"

Система управления генератора с "интеллектуальной зарядкой"

Общая информация

Когда двигатель запускается, генератор начинает генерировать переменный ток (AC), который внутри преобразовывается в постоянный ток (DC). Постоянный ток подается в аккумулятор и на потребители электрической нагрузки в автомобиле под напряжением, которое контролируется регулятором напряжения (регулятор расположен в задней части генератора). Напряжение в системе зарядки управляется модулем управления силовым агрегатом (PCM). Аккумулятор более эффективно заряжается при повышенном напряжении, когда он холодный, и при пониженном напряжении, когда он теплый. Модуль PCM может корректировать зарядное напряжение в соответствии с температурой аккумулятора, которую он рассчитывает на базе температуры воздухозабора (IAT) и температуры охлаждающей жидкости двигателя (ECT). PCM одновременно выполняет мониторинг и управление выходного напряжения генератора. Когда текущее потребление становится высоким или аккумулятор очень сильно разряжен, система может увеличить частоту вращения коленчатого вала в режиме холостого хода. Для того чтобы свести к минимуму сопротивление при запуске двигателя, PCM дезактивирует генератор. После запуска двигателя PCM постепенно увеличивает выходную мощность генератора. PCM контролирует работу контрольной лампы системы зарядки, которая расположена на щитке приборов. Поэтому PCM отвечает за выключение контрольной лампы после запуска двигателя и ее включение при наличии неисправностей; PCM также включает эту контрольную лампу при включенном зажигании и выключенном двигателе, и при заглухании двигателя.

В интеллектуальной системе зарядки реализованы следующие функции:

  • Оценка температуры аккумулятора и контроль зарядного напряжения
  • Передача информации о нагрузке генератора
  • Дезактивация генератора во время проворачивания коленчатого вала
  • Увеличение частоты вращения коленчатого вала в условиях низкого напряжения/высокой электрической нагрузки (для увеличения выходной мощности генератора и уменьшения разрядки аккумулятора).
  • Дезактивация электрических нагрузок при низком напряжении
  • Активация электрических нагрузок при превышении напряжения

За счет непрерывного расчета температуры аккумулятора и контроля выходного напряжения генератора обеспечивается оптимизация зарядного тока аккумулятора. Функция передачи информации о нагрузке генератора выдает модулю PCM предварительное предупреждение о прогнозируемой электрической нагрузке и, следовательно, о прогнозируемых изменениях в крутящем моменте генератора. Используя эту информацию, PCM может обеспечить более высокую устойчивость на холостом ходу. PCM также контролирует функции активации генератора во время проворачивания двигателя и повышения частоты вращения коленчатого вала в режиме холостого хода. Электрораспределительная коробка салона (PJB) контролирует две оставшиеся функции интеллектуальной зарядки: это отключение электрических нагрузок при низком напряжении и активация электрических нагрузок при повышенном напряжении. Когда напряжение аккумулятора падает ниже порога низкого напряжения, PJB дезактивирует в указанном порядке следующие элементы с 5-секундной задержкой перед дезактивацией каждой очередной нагрузки:

  • Лобовое стекло с обогревом
  • Обогрев заднего стекла
  • Система кондиционирования воздуха

PJB снова активирует все ранее дезактивированные электрические нагрузки, когда напряжение аккумулятора становится выше порога низкого напряжения. Порядок реактивации нагрузок следующий: кондиционирование воздуха, обогрев заднего стекла, обогрев лобового стекла, с 5-секундной задержкой после реактивации каждой очередной нагрузки. После реактивации электрические нагрузки возвращаются в нормальный режим; элемент выключается и ожидает входного сигнала PJB от переключателя. Активация электрических нагрузок при повышенном напряжении становится активной, когда PJB выявляет напряжение аккумулятора, превышающее порог повышенного напряжения, в течение 20 секунд, и горит контрольная лампа зарядки аккумулятора.

Когда достигнут порог, PJB активирует в указанном порядке следующие элементы с 5-секундной задержкой после активации каждой очередной нагрузки:

  • Обогрев заднего стекла
  • Лобовое стекло с обогревом

Цель состоит в том, чтобы понизить напряжение до уровня его соответствия спецификации и сократить любые повреждения аккумулятора, которые могут быть вызваны перенапряжением. PJB возвращает электрические нагрузки в нормальный режим, если напряжение аккумулятора остается ниже порога перенапряжения на протяжении 20 секунд. Это предотвращает чрезмерную разрядку аккумулятора. Порядок возврата нагрузок в нормальный режим следующий: обогрев лобового стекла, затем обогрев заднего стекла, с 5-секундной задержкой после реактивации каждой очередной нагрузки. Может возникнуть циклическое состояние, при котором нагрузки многократно активируются и дезактивируются при повышении и понижении уровня напряжения. Такое поведение возможно при неисправностях, сопровождающихся непрерывным повышенным напряжением, и служит для минимизации повреждений аккумулятора, вызываемых перезарядкой, и утечки тока аккумулятора из-за включения обогрева стекол. В нормальном режиме электрические нагрузки выключаются, ожидая входной сигнал PJB от переключателя. Порог низкого напряжения составляет примерно 10.3 В, порог повышенного напряжения - примерно 16 В.

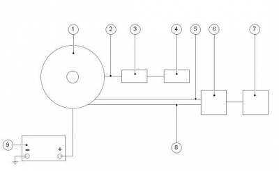
Схема системы управления генератором с "интеллектуальной зарядкой"

п.п номер запчасти
Описание
1 * Генератор
2 * Линия восприятия напряжения аккумулятора
3 * Плавкий предохранитель 3А
4 * Элекртрораспределительная коробка BJB
5 * Выходной сигнал, требуетмый генератором от РСМ
6 * РСМ
7 * Щиток приборов
8 * Сигнал контроля работы генератора к РСМ
9 * Аккумуляторная батарея

Запуск генератора во время запуска двигателя

В системе управления генератора с функциями интеллектуальной зарядки во время запуска двигателя генератор дезактивируется. Генератор включается только после запуска двигателя. Включение выполняется электронно, модулем PCM. Затем мощность генератора плавно повышается до требуемого значения.

Повышенная частота вращения коленчатого вала на холостом ходу

В режиме холостого хода при высокой нагрузке генератора частота вращения коленчатого вала на холостом ходу увеличивается для повышения мощности генератора. Система может повышать частоту вращения коленчатого вала на холостом ходу дискретно, до 150 1/мин. выше базовой частоты.

Дата создания: 08.01.2010 · Просмотров: 38445 · Автор: · Добавил: admin

Смотрите также похожие материалы
design by: ZZL.spb.ru