Сайт знатоков автомобиля
Ford Fusion
Сайт знатоков автомобиля
Ford Fusion
Все, что вы хотите знать о Форд Фьюжн, но не знали где спросить
Все, что вы хотите знать о Форд Фьюжн, но не знали где спросить
·
FAQ
·
Литература
·
Галерея
·
Форум
·
Поиск
·
О проекте
Важные материалы
·
Инструкция по экплуатации
·
Инструкция CD6000
·
DTC - что это?
·
Самодиагностика
·
Расшифровка DTC
·
ОНЛАЙН диагностика
·
Durashift EST - решение проблемы с ошибкой коробки
·
Ремонт роботизированной коробки, второй вариант
·
Ремонт исполнительного устройства сцепления РКПП
·
Не горит подсветка приборов на ford fusion
·
Евросвет на ford fusion
·
Чистка дроссельной заслонки
·
DRL, ДХО или дневные ходовые огни на Fusion
·
Замена ремня ГРМ
·
Обогрев ног задних пассажиров
Навигация
·
Главная
·
FAQ
·
Литература
·
Полезные файлы
·
Галерея
·
Форум
·
Поиск
·
Информационные страницы
·
О проекте
·
Правила
·
Обратная связь
·
Skype Чат FusionGURU
·
Коды неисправностей
Поиск
Найти DTC
Наши партнеры
Автосигнализации
Pandora
Иммобилайзеры
Pandect
Низкие цены
Вы тоже можете стать нашим партнером
Fusion
GURU
::
Фотогалерея
::
Гостевой альбом
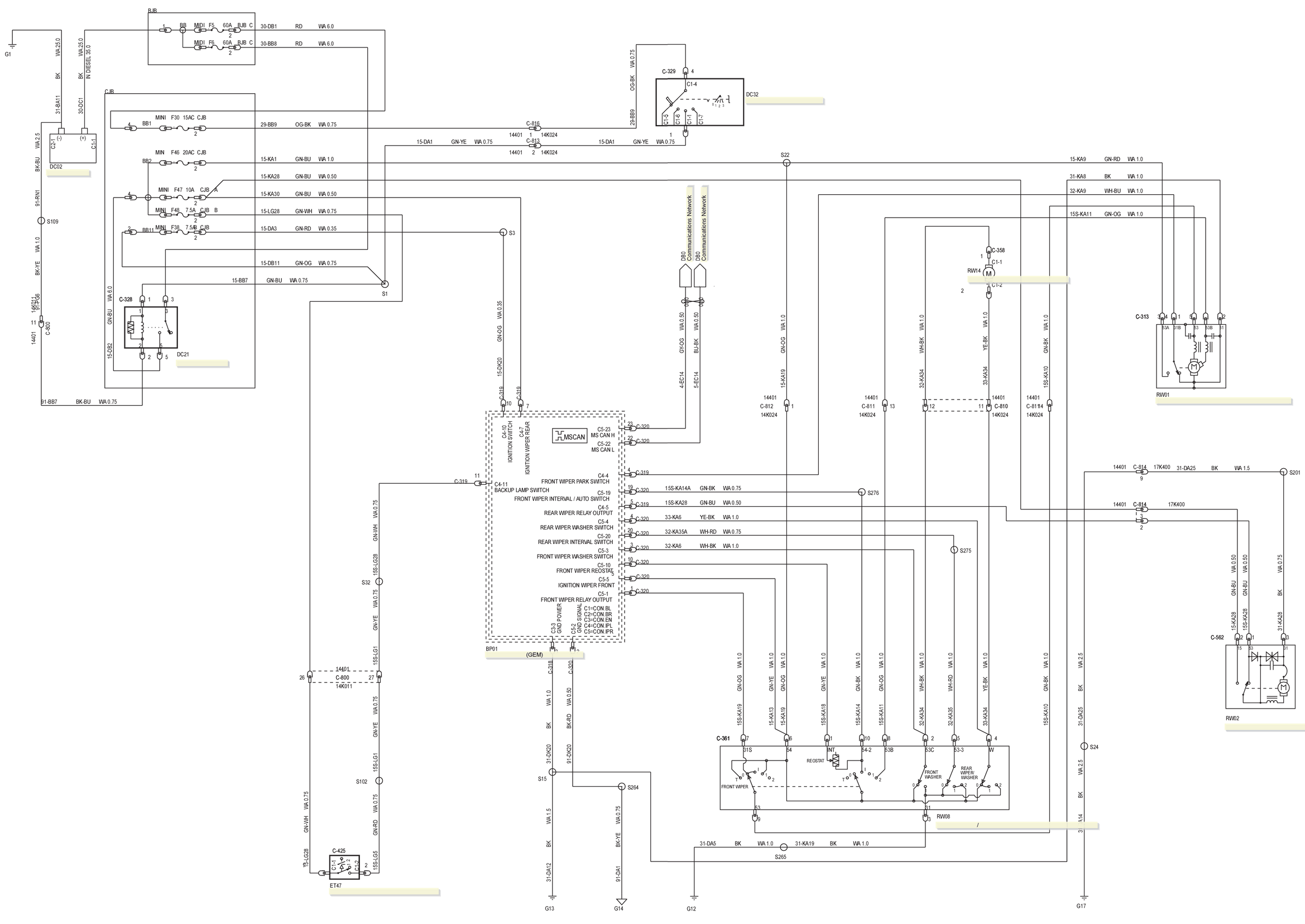
:: Омыватели Форд Фокус2
Омыватели Форд Фокус2
Добавлено: 03.12.2014 · Просмотров: 1074 · Добавил:
· Разрешение: 2338 x 1656 · Размер: 189.3Kb · Код:
Рейтинг
Нет данных для оценки.
Вы должны быть зарегистрированы, чтобы участвовать в рейтинге
design by:
ZZL.spb.ru